The legal entity of the high-efficiency and
low-carbon gas turbine test device project is the Institute of Engineering
Thermophysics of the Chinese Academy of Sciences, and the participating units
are the Energy Power Research Center of the Chinese Academy of Sciences in
Jiangsu Province and the Advanced Energy Power Research Center in Pudong,
Shanghai. The Chinese Academy of Sciences supports the construction of this
facility by relying on relevant scientific and technological advantages as well
as the early research and construction and operation management experience of
several large scientific devices.
Through the construction of this testing
facility, the Institute of Engineering Thermophysics of the Chinese Academy of
Sciences will establish a complete research platform for turbomachinery
aerodynamics, cooling, stability, and multi fuel combustion chamber testing. It
will have the ability to systematically research various components of gas
turbine compressors, combustion chambers, turbines, and new cycles, and master
the core technology of gas turbine testing equipment. At present, the research
institute has established a high-level research team with excellent quality,
reasonable age structure, complete professional types, courage to innovate, and
unity and cooperation. It has the ability to undertake the construction of
efficient and low-carbon gas turbine test equipment.
Scientific background
1. What is the high-efficiency and
low-carbon gas turbine testing device?
Efficient and low-carbon gas turbines are
high-temperature, high-pressure, and high-speed rotating thermal
turbomachinery. Their internal aerodynamic, thermodynamic, fluid thermal,
chemical, and solid coupling are complex, and rely heavily on long-term experiments
and data accumulation. A gas turbine is composed of components such as a
compressor, combustion chamber, and turbine, and is the most efficient
(combined cycle efficiency has reached 64.0%) and cleanest (nitrogen oxide
emissions below 25ppm) high-power thermal power conversion device. The gas
turbine testing device is a fusion project of multiple sciences, technologies,
and engineering. This device can provide a practical and realistic experimental
research environment, and is a technological infrastructure for conducting
scientific and technological problems, applications, and development research
on gas turbines, as well as innovative activities.
Figure
1: Experimental setup diagram of high-efficiency and low-carbon gas turbine
2. What is the significant significance of
building an efficient and low-carbon gas turbine test facility?
For a long time, China has been deeply
constrained by the bottleneck of the blank space of high-power gas turbine
testing equipment. There is no fundamental condition for carrying out major
scientific and technological problems in gas turbines, and key scientific data
and basis cannot be obtained. There is no effective accumulation of technology
and talent, and there is a gap of at least 30 years compared to foreign
countries. No product has completed the complete process from basic research to
use and development, and there is a lack of independent technology, products,
and industries. Up to now, China has been stuck in the assembly business
obtained through "market technology exchange", without mastering the
design technology of gas turbines and the manufacturing and maintenance
technology of hot end components. Almost all of the debugging, maintenance, and
repair work of domestic gas turbines are completed by foreign gas turbine
production and sales enterprises. It is an urgent need for the scientific, technological,
and industrial development of gas turbines in China to quickly build efficient
and low-carbon gas turbine testing facilities.
Through the construction and operation of
this facility, we aim to provide a world-class experimental platform for the
efficient utilization of natural gas, clean and low-carbon utilization of coal
energy, as well as cogeneration, renewable energy utilization, fourth
generation nuclear energy, energy storage, process application, and industrial
energy-saving research and development of gas turbine technology. This will
enhance the autonomy of related industries and promote the development of
emerging high-tech industries.
3. What is the main content of building an
efficient and low-carbon gas turbine testing device?
The main construction content of this
project's facilities consists of three matching components: gas turbine
compressor, combustion chamber, and turbine, as well as a cycle test research
system, to support gas turbine components and cycle test research. Including:
compressor test platform, combustion chamber test platform, turbine test
platform, cycle test platform, public system and public engineering.
(1) The compressor testing platform
includes single/multi-stage compressor testing platforms;
(2) The combustion chamber test platform
includes three test benches: high-temperature and high-pressure optical
transparent combustion, full temperature and pressure single cylinder full-size
combustion chamber, and full temperature and pressure single cylinder full-size
combustion chamber;
(3) The turbine test platform includes
three test benches: cooling/sealing test bench, high-temperature nozzle cascade
test bench, and multi-stage rotating turbine flow/cooling comprehensive test
bench;
(4) The cycle test platform includes an
efficient new cycle test bench and a low-carbon supercritical carbon dioxide
cycle test bench;
Figure 2.Shanghai Park Planning
1、 Low carbon supercritical carbon dioxide cycle test bench
1. Platform/System Composition Diagram
2. Scientific objectives
Research the energy conversion laws of
advanced and new power cycles, open up new paths for the development of gas
turbines, and master the technology of efficient and low-carbon power cycle
systems.
3. Main parameters of the test bench
|
|
Unit |
Value |
|
Circulating
flow rate |
kg/s |
≥25 |
|
Preheating
temperature |
℃ |
600℃ |
|
Maximum
pressure |
MPa |
≥24 |
|
Cycle
power |
MWth |
≥5 |
4. Test bench functions
The supercritical carbon dioxide cycle test
bench will provide experimental conditions for conducting supercritical carbon
dioxide cycle and key unit characteristic tests. The test bench can conduct
both supercritical carbon dioxide cycle characteristic tests and key unit tests
such as compressors, turbines, and reheaters that make up the cycle. In terms
of loop characteristics, it specifically includes:
Experimental study on the characteristics
of supercritical carbon dioxide regenerative cycle
Experimental Study on the Start Stop
Characteristics of Cycles
Experimental Study on Partial Load
Characteristics of Cycles
Experimental Study on the Dynamic
Characteristics of Cycles
Experimental research on control strategies
for loops
Experimental Study on Process Optimization
of Circulation
In terms of research on key components of
the cycle, specifically including:
Experimental Study on Characteristics of
Supercritical Carbon Dioxide Compressor
Experimental Study on Characteristics of
Supercritical Carbon Dioxide Regenerators and Precoolers
Experimental Study on Heat Transfer
Characteristics of Supercritical Carbon Dioxide
Experimental study on the characteristics of supercritical carbon dioxide turbines
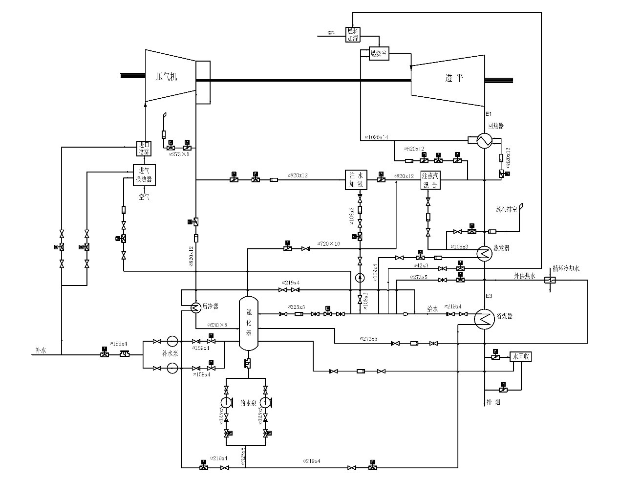
2、
Efficient new cycle test bench
1. Platform/System Composition Diagram
2. Scientific objectives
Research the energy conversion laws of
advanced and new power cycles, open up new paths for the development of gas
turbines, and master the technology of efficient and low-carbon power cycle
systems
3. Main parameters of the test bench
|
Unit |
Value |
|
|
Thermal
power |
MWth |
≥25 |
|
Flow |
kg/s |
≥40 |
|
Pressure |
MPa |
≥0.7 |
|
Load
power |
MW |
≥10 |
|
Loop type |
|
Numerical
heat cycle & Wet air
turbine cycle |
4. Test bench functions
The high-efficiency new cycle test bench is
used to conduct new cycle tests of gas turbines using air as the working fluid,
supporting research on pure power generation and cogeneration of cycles. It can
provide experimental conditions for users to conduct research on the
characteristics of efficient new cycle systems, as well as for users to study
the performance of key units and their impact on cycle characteristics.
The thermal cycles that can be studied
based on this cycle test bench include: gas turbine reheat cycle, water
injection/steam reheat cycle, wet air turbine cycle, etc. For the above cycle,
this test bench is capable of conducting experimental research, including:
Experimental Study on the Start Stop
Characteristics of Gas Turbine Cycles
Experimental Study on Dynamic
Characteristics of Gas Turbine Cycles
Experimental Study on the Characteristics
of Gas Turbine Cycle Affected by Environmental Temperature
Experimental Study on Partial Load
Characteristics of Gas Turbine Cycle
Experimental Study on Control Strategy of
Gas Turbine Cycle
Experimental Study on the Thermoelectric
Ratio Adjustment Characteristics of Gas Turbine Cycles
Based on this cycle test bench, the
characteristics of key unit technologies and their impact on cycle performance
can be studied:
Experimental research on a new type of
intake cooling technology for compressors
Wet compression test research
Experimental Study on Wet Air Combustion
Experimental Study on the New Heating and
Humidification Process of Compressed Air
Experimental research on a new type of
reheater
Experimental Study on New Type of Exhaust
Water Recycling and Utilization
Related links
http://www.iet.cas.cn/gxdtrqljsyzz/yjxt/xhsypt/
Abstract Submission
Extended Abstract Submission
Notification of Abstract Acceptance
July 15, 2024
Submission of Full-length Paper
(still open for New submission of abstract)
July 30, 2024
Paper Acceptance Notification
Aug 15, 2024
Early Bird Registration
Sep 20-24, 2024
Formal Conference
Organized by:
Co-organized by:
Under the auspices of:

Sponsors: