高效低碳燃气轮机试验装置项目的法人单位为中国科学院工程热物理研究所,参建单位为江苏中国科学院能源动力研究中心和上海浦东先进能源动力研究中心。中国科学院依托相关科技优势以及前期多个大科学装置研建和运行管理经验,支撑本设施建设。
通过该试验设施的建设,中科院工程热物理研究所将建立起完整的叶轮机械气动、冷却、稳定性、多燃料燃烧室试验研究平台,具备系统的燃气轮机压气机、燃烧室、透平各部件及新型循环的研究能力,掌握燃气轮机试验装置的核心技术。目前,研究所建立了一支素质优良、年龄结构合理、专业种类齐全、勇于创新、团结协作的高水平研究队伍,已具备承建高效低碳燃气轮机试验装置的能力。
科学背景
1、高效低碳燃气轮机试验装置是什么?
高效低碳燃气轮机是高温、高压、高速旋转的热力叶轮机械,其内部气动热力、流热化固耦合复杂,强依赖于长期试验和数据的积累。燃气轮机由压气机、燃烧室和透平等部件构成,是最高效(联合循环效率已达到64.0%)、最清洁(氮氧化物排放低于25ppm)的大功率热功转换装置。燃气轮机试验装置是多科学、技术和工程的融合工程,本装置可提供实际、真实的试验研究环境,是开展燃气轮机科学技术问题、应用和开发研究,进行创新活动的科技基础设施。
图1:高效低碳燃气轮机试验装置图
2、建设高效低碳燃气轮机试验装置的重大意义是什么?
长期以来,我国深受大功率燃气轮机试验装置空白的瓶颈制约,没有开展燃气轮机重大科技问题攻关的基础性条件,无法获得关键的科学数据和依据,没有形成技术和人才的有效积累,与国外差距至少30年,无一产品走完从基础研究到使用发展的完整过程,缺乏自主技术、产品和产业。我国至今停留在“市场换技术”获得的组装业务,不掌握燃气轮机设计技术和热端部件制造及维护技术,国内燃机的调试、检修、维护等工作几乎全部由国外燃机生产销售企业完成。尽快建设高效低碳燃气轮机试验装置,是我国燃气轮机科学技术和产业发展的迫切需求。
通过本设施的建设和运行,为天然气高效利用、煤炭能源高效清洁低碳利用及联产,可再生能源利用、第四代核能、储能、工艺应用、工业节能中的燃气轮机技术研发提供世界先进水平的试验平台,提升相关产业的自主化,促进新兴高技术产业发展。
3、建设高效低碳燃气轮机试验装置的主要内容是什么?
本项目设施主要建设内容由相互匹配的燃气轮机压气机、燃烧室、透平三大部件和循环试验研究系统构成,支持燃气轮机部件及循环试验研究。包括:压气机试验平台、燃烧室试验平台、透平试验平台、循环试验平台、公用系统和公用工程。
(1)压气机试验平台包括单/多级压气机试验台;
(2)燃烧室试验平台包括高温高压光学通透燃烧、全温加压单筒全尺寸燃烧室、全温全压单筒全尺寸燃烧室3个试验台;
(3)透平试验平台包括冷却/封严试验台、高温喷嘴叶栅试验台、多级旋转透平流动/冷却综合试验台3个试验台;
(4)循环试验平台包括高效新型循环试验台和低碳超临界二氧化碳循环试验台;
图2:上海园区规划
一、低碳超临界二氧化碳循环试验台
1、平台/系统构成图
2、科学目标
研究先进、新型动力循环能量转换规律,开辟燃气轮机发展的新途径,掌握高效低碳动力循环系统技术。
3、试验台主要参数
|
|
单位 |
数值 |
|
超临界二氧化碳循环流量 |
kg/s |
≥25 |
|
超临界二氧化碳预热温度 |
℃ |
最高温度600℃ |
|
超临界二氧化碳最大压力 |
MPa |
≥24 |
|
循环热功率 |
MWth |
≥5 |
4、试验台功能
超临界二氧化碳循环试验台将为开展超临界二氧化碳循环及关键单元特性试验提供试验条件。试验台既能开展超临界二氧化碳循环特性试验,也能开展构成循环的压缩机、透平、回热器等关键单元试验。在循环特性方面,具体包括:
在循环的关键部件研究方面,具体包括:
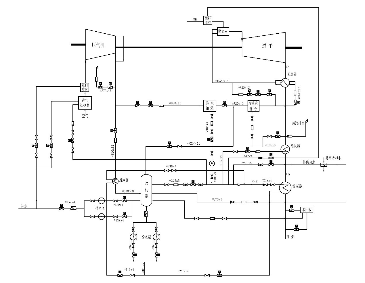
二、高效新型循环试验台
1、平台/系统构成图
2、科学目标
研究先进、新型动力循环能量转换规律,开辟燃气轮机发展的新途径,掌握高效低碳动力循环系统技术
3、试验台主要参数
|
名称 |
单位 |
数值 |
|
循环热功率 |
MWth |
≥25 |
|
工质流量 |
kg/s |
≥40 |
|
工质压力 |
MPa |
≥0.7 |
|
负载功率 |
MW |
≥10 |
|
支持循环类型 |
|
回热循环、湿空气透平循环 |
4、试验台功能
高效新型循环试验台用于开展以空气为工质的燃气轮机新型循环试验,支持开展循环的纯发电研究及热电联供试验研究。既能为用户开展高效新型循环系统特性研究提供试验条件,同时也能为用户研究关键单元的性能及其对循环特性的影响提供试验条件。
基于该循环试验台可以研究的热力循环包括:燃气轮机回热循环、注水/蒸气回热循环、湿空气透平循环等。针对上述循环,本试验台能够开展试验研究包括:
基于该循环试验台可以研究关键单元技术的特性及其对循环性能的影响:
重要日期:
接受摘要投稿
摘要投稿延期
摘要录用通知
2024年7月15日前
全文提交
(仍对新提交的摘要开放)
2024年7月30日前
全文录用通知
2024年8月15日前
会议注册
2024年9月20-24日
正式会议
主办单位:
联合主办:
支持单位:

赞助单位: